产品介绍
丙烷气体流量计,测量丙烷可以使用气体涡轮流量计,旋进旋涡流量计流量计,气体罗茨流量计,
下边分别介绍这三款流量计
WF-LWQ-C气体涡轮流量计
概述
WF-LWQ-C气体涡轮流量计是一种新型的速度式仪表。它具有精度高,重复性好,结构简单,耐高压,体积小,重量轻,压力损失小,操作简单,维修方便等优点,温压补偿仪表可集流量,温度,压力检测功能于一体,并能进行温度,压力,压缩因子自动补偿。是石油,化工,电力,工业锅炉等工业,行业的燃气计量和城市天然气,燃气调压站封闭管道低粘度气体的体积流量和总量及燃气热计量的理想气体流量检测仪表。
WF-LWQ-C气体涡轮流量计性能指标
涡轮流量传感器 | 电源 | 性能指标 |
DC24V | 旭彩网无现场显示功能,仅将流量信号转变为工况脉冲信号远传输出。适合用于与二次仪表,PLC,DCS系统等计算机控制系统配合使用。 | |
气体涡轮流量变送器 | DC24V | 旭彩网无现场显示功能,仅将流量信号转变为两线制电流信号(4-20Ma)远传输出。适合用于与二次仪表,PLC,DCS系统等计算机控制系统配合使用。 |
现场显示气体涡轮流量计 | DC3.6V锂电池 | 显示积算一体化的新型智能仪表。结构紧凑,读数直管,可靠性高,不受外界电源干扰,抗雷击,价格低廉。液晶显示瞬时流量和累积流量。仪表仅仅有现场显示功能,无信号输出。 |
智能型气体涡轮流量计 | DC24V | 显示积算一体化的新型智能仪表。结构紧凑,读数直管,可靠性高,不受外界电源干扰,抗雷击,价格低廉。液晶显示瞬时流量和累积流量。所仪表有现场显示功能,有信号输出,可以与二次仪表,PLC,DCS系统等计算机控制系统配合使用。 |
温压补偿型(方形表头,圆形表头)气体涡轮流量计 | DC24V,DC3.6V锂电池双供电 | 该类仪表属于温度压力补偿一体化的新型智能仪表。采用液晶显示,对比度高,功耗低。多种电信号输出模式可选,工况、标况测量模式可选,多路报警设置,可进行定量控制。还有基于RS485接口的MODBUS协议通讯功能。 |
气体涡轮流量计量程范围
公称通径 (mm) | 型号 | 标准量程 (m³/h) | 扩展量程 (m³/h) | 常规耐压等级(Mpa) | 特质高压等级 (Mpa) | 安装方式 | ||
DN25 | LWQ-C-25 | S | 2.5-25 | W | 4-40 | 1.6 | 2.5,4.0 | 法兰(螺纹) |
DN40 | LWQ-C-40 | S | 5-50 | W | 6-60 | 1.6 | 2.5,4.0 | 法兰(螺纹) |
DN50 | LWQ-C-50 | S1 | 6-65 | W1 | 5-70 | 1.6 | 2.5,4.0 | 法兰 |
S2 | 10-100 | W2 | 8-100 | 1.6 | 2.5,4.0 | |||
DN65 | LWQ-C-65 | S | 15-200 | W | 10-200 | 1.6 | 2.5,4.0 | 法兰 |
DN80 | LWQ-C-80 | S1 | 13-250 | W | 10-160 | 1.6 | 2.5,4.0 | 法兰 |
S2 | 20-400 | |||||||
DN100 | LWQ-C-100 | S1 | 20-400 | W | 13-250 | 1.6 | 2.5 | 法兰 |
S2 | 32-650 | |||||||
DN125 | LWQ-C-125 | S | 25-700 | W | 20-800 | 1.6 | 2.5 | 法兰 |
DN150 | LWQ-C-150 | S1 | 32-650 | W | 80-1600 | 1.6 | 2.5 | 法兰 |
S2 | 50-1000 | |||||||
DN200 | LWQ-C-200 | S1 | 80-1600 | W | 50-1000 | 1.6 | 法兰 | |
S2 | 130-2500 | |||||||
DN250 | LWQ-C-250 | S1 | 130-2500 | W | 80-1600 | 1.6 | 法兰 | |
S2 | 200-4000 | |||||||
DN300 | LWQ-C-300 | S | 200-4000 | W1 | 130-2500 | 1.6 | 法兰 | |
W2 | 320-6500 | 1.6 | ||||||
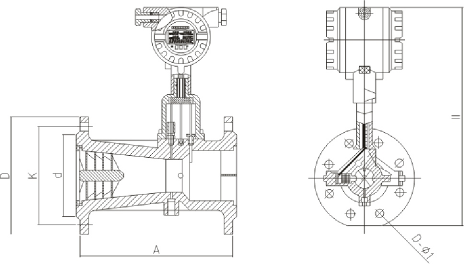
气体涡轮流量计安装尺寸
公称通径(mm) | 法兰连接 | |||||
仪表长度L1(mm) | 法兰外径D(mm) | 螺栓孔距K(mm) | 螺栓孔距D(mm) | N(孔数) | 螺栓规格 | |
25 | 170 | 115 | 85 | 4 | 14 | M12*50 |
40 | 200 | 150 | 110 | 4 | 18 | M16*55 |
50 | 200 | 165 | 125 | 4 | 18 | M16*60 |
65 | 240 | 185 | 145 | 4 | 18 | M16*65 |
80 | 240 | 200 | 160 | 8 | 18 | M16*70 |
100 | 300 | 220 | 180 | 8 | 18 | M16*80 |
125 | 340 | 250 | 210 | 8 | 18 | M16*80 |
150 | 450 | 285 | 240 | 8 | 22 | M20*80 |
200 | 600 | 340 | 295 | 12 | 22 | M20*90 |
250 | 500 | 403 | 355 | 12 | 26 | M24*90 |
300 | 500 | 460 | 411 | 12 | 26 | M24*100 |
WF-LUX旋进旋涡流量计量程范围:
公称通径DN(mm) | 类型 | 流量范围(m3/ h) | 工作压力(MPa) | 精度等级 | 重复性 |
25 | 1.0~30 | 1.6 2.5 4.0 6.3 | 1.0 1.5 | 小于基本误差限绝对值的1/3 | |
32 | 2.0~60 | ||||
50 | A型 | 3.0~150 | |||
B型 | 2.5~75 | ||||
80 | A型 | 20~400 | |||
B型 | 10~200 | ||||
100 | A型 | 40~800 | |||
B型 | 30~600 | ||||
150 | A型 | 100~1800 | |||
B型 | 40~900 | ||||
200 | 180~3600 | 1.6;2.5;4.0 |
旋进旋涡流量计尺寸图
流量计的外形尺寸如图3所示,图中未注尺寸列于表1中,流量计采用法兰连接方式,法兰尺寸 执行GB/T9112~9113-2000标准。

公称 通径 DN |
流量 计长 度A | PN1.6~4.0MPa | |||||||||||||||||
H |
D |
K |
n |
L |
d |
H |
D |
K |
n |
L |
d |
H |
D |
K |
n |
L |
d | ||
25 |
200 |
305 |
125 |
85 |
4 |
14 |
65 | ||||||||||||
32 | 200 | 320 | 140 | 100 | 4 | 18 | 76 | ||||||||||||
50 | 230 | 330 | 165 | 125 | 4 | 18 | 99 | ||||||||||||
80 | 330 | 360 | 200 | 160 | 8 | 18 | 132 | ||||||||||||
PN1.6MPa | ※PN2.5~4.0MPa | ||||||||||||||||||
100 | 410 | 376 | 220 | 180 | 8 | 18 | 156 | 390 | 235 | 190 | 8 | 22 | 156 | ||||||
150 | 570 | 430 | 285 | 240 | 8 | 22 | 211 | 450 | 300 | 250 | 8 | 26 | 211 | ||||||
PN1.6MPa |
PN2.5MPa | ※PN4.0MPa | |||||||||||||||||
200 | 700 | 470 | 340 | 295 | 12 |
22 |
266 | 490 |
360 | 310 |
12 |
26 |
274 |
510 |
375 |
320 |
12 |
30 |
284 |
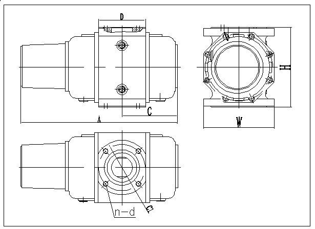
气体罗茨流量计尺寸图


型号规格 | 公称通径 DN | A | C | W | H | 法兰 | |
(mm) | (mm) | (mm) | (mm) | C1 | n-d | ||
LLQ-20 | 25 | 235 | 90 | 105 | 128 | φ85 | 4-M12 |
LLQ-40 | 40 | 307 | 120 | 105 | 128 | φ110 | 4-M16 |
LLQ-60 | 50 | 385 | 140 | 185 | 172 | φ125 | 4-M16 |
LLQ-85 | 50 | 420 | 156 | 185 | 172 | φ125 | 4-M16 |
LLQ-100 | 80 | 460 | 175 | 185 | 172 | φ160 | 8-M16 |
LLQ-150 | 80 | 490 | 190 | 185 | 172 | φ160 | 8-M16 |
LLQ-200 | 80 | 485 | 185 | 235 | 246 | φ160 | 8-M16 |
LLQ-250 | 100 | 565 | 230 | 235 | 246 | φ180 | 8-M16 |
LLQ-300 | 100 | 565 | 230 | 235 | 246 | φ180 | 8-M16 |
LLQ-350 | 100 | 565 | 230 | 235 | 246 | φ180 | 8-M16 |
LLQ-450 | 100 | 655 | 275 | 235 | 246 | φ180 | 8-M16 |
LLQ-600 | 100 | 655 | 275 | 235 | 246 | φ180 | 8-M16 |
LLQ-650 | 150 | 640 | 293 | 450 | 380 | φ240 | 8-M20 |
LLQ-800 | 150 | 640 | 293 | 450 | 380 | φ240 | 8-M20 |
LLQ-1000 | 150 | 705 | 352 | 450 | 550 | φ240 | 8-M20 |
LLQ-1600 | 200 | 765 | 401 | 450 | 550 | φ295 | 8-M20 |
气体罗茨流量计量程范围
型规格号 | 公称通径DN(mm) | 量程比 | 流量范围(m3/h) | 始动 流量 m3/h | Qmax 压力损失 Pa | 公称 压力 MPa | 材质 |
LLQ-20 | 25 | 20:1 | 1-20 | 0.07 | 110 | 1.6MPa | |
LLQ-40 | 40 | 40:1 | 1-40 | 0.06 | 140 | ||
LLQ-60 | 50 | 65:1 | 1-65 | 0.07 | 120 | ||
LLQ-85 | 50 | 70:1 | 1.2-85 | 0.07 | 160 | ||
LLQ-100 | 80 | 70:1 | 1.5-100 | 0.06 | 170 | ||
LLQ-150 | 80 | 120:1 | 1.2-150 | 0.05 | 150 | ||
LLQ-200 | 80 | 70:1 | 3-200 | 0.15 | 180 | ||
LLQ-250 | 100 | 80:1 | 3-250 | 0.16 | 190 | ||
LLQ-300 | 100 | 120:1 | 2.5-300 | 0.12 | 200 | ||
LLQ-350 | 100 | 110:1 | 3-350 | 0.15 | 300 | ||
LLQ-450 | 100 | 110:1 | 4-450 | 0.11 | 400 | ||
LLQ-500 | 100 | 125:1 | 4-500 | 0.11 | 500 | ||
LLQ-650 | 150 | 80:1 | 8-650 | 0.65 | 560 | ||
LLQ-800 | 150 | 80:1 | 10-800 | 0.65 | 580 | ||
LLQ-1000 | 150 | 90:1 | 11-1000 | 0.8 | 600 |
用户可以根据自己需求进行选型。
青岛万安电子技术有限公司主营产品:涡街流量计,电磁流量计,涡轮流量计,显示仪表,热量表,差压式仪表,分析仪器,水质监测设备,压力仪表等,以及承接电气自动化项目。欢迎来电咨询。
热线电话:0532-67731362 /0532-67731361


微信公众号